英標常閉式氣動襯膠隔膜閥產品說明
設計與制造:GB12239或BS5156
結構長度:GB12221或BS5156
法蘭連接尺寸:GB4216.4或BS4504
試驗與檢驗:GB/T13927或BS5156
英標常閉式氣動襯膠隔膜閥主要零件材料
閥體:鑄鐵、球墨鑄鐵、碳鋼、不銹鋼
閥蓋:鑄鐵、球墨鑄鐵、碳鋼、不銹鋼
襯里:無襯里、橡膠
隔膜:橡膠
閥瓣:鑄鐵、碳鋼
閥桿:碳鋼、不銹鋼
手輪:鑄鐵
英標常閉式氣動襯膠隔膜閥測試
襯里層:電火花檢測
試驗與檢驗按BS6755標準
公稱壓力:PN(MPa)
閥體:PN×1.5
密封:PN×1.1
英標常閉式氣動襯膠隔膜閥結構特點
隔膜閥是一種特殊形式的截止閥:
1. 彈性密封的開閉件,確保沒有內漏;
2. 流線型的流道,使得壓力損失小;
3. 沒有填料函,因此沒有外漏;
4. 閥體與蓋被中間隔膜隔開,使得隔膜上方的閥蓋,閥桿等零件不受介質侵蝕;
5. 隔膜可更換,維護費用低;
6. 襯里材料的多樣性,可適用于各種介質,并具有強度高、耐腐蝕性能好的特點。
EG6B41J氣動常閉式襯膠隔膜閥,EG6B41J-10,EG6B41J-6型號襯膠閥門是用來改變通路斷面和介質流動方向,具有導流、截止、調節、節流、止回、分流或溢流等功能。閥門可用于控制水、蒸汽、油品、氣體、泥漿、各種腐蝕性介質、液態金屬和放射性流體等流體的流動。
英標常閉式氣動襯膠隔膜閥性能規范
| 型號 |
公稱壓力 PN(Mpa) |
試驗壓力PS(Mpa) | 適用介質 | 工作溫度(℃) | |
| EG6B41WJF-6 | 0.6 | 0.9 | 0.66 |
W.非腐蝕性流體 J·一般腐蝕性流體 FS。強酸堿及各種有機溶劑 (溶融堿金屬元素氧除外) |
≤100 ≤85 ≤150 |
| EG6B41WJF-10 | 1.0 | 1.5 | 1.1 | ||
| EG6B41WJF-16 | 1.6 | 2.4 | 1.76 | ||
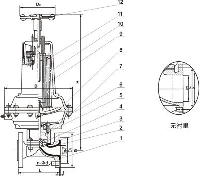
部件列表:1、閥體 2、閥體襯里 3、隔膜 4、閥瓣 5、下閥桿 6、閥蓋 7、氣缸 8、活塞 9、彈簧 10、氣缸蓋 11、上閥桿 12、手輪

英標常閉式氣動襯膠隔膜閥主要外形連接尺寸及重量
| 型號 |
公稱通徑 DN(mm) |
尺寸(mm) | 氣動裝置 |
重量 (㎏) |
|||||||||||
| L | f | D1 | D | D0 | n-d | H | B |
代號 ES |
耗氣量(cm3) | 氣源壓力(MPa) | 氣源接頭(in) | ||||
| J型 | W型 | ||||||||||||||
| EG6B41WJF-16 | 20 | 121 | 117 | 2 | 75 | 105 | 120 | 4-13.5 | 168 | 61 | 163.87 | 0.3 | 1/8 | 7.2 | |
| 25 | 131 | 127 | 2 | 85 | 115 | 120 | 4-13.5 | 394 | 168 | 61 | 196.65 | 0.3-0.4 | 1/8 | 8.9 | |
| 32 | 150 | 146 | 2 | 100 | 140 | 120 | 4-17.5 | 400 | 168 | 61 | 229.4 | 0.3-0.4 | 1/8 | 10.6 | |
| 40 | 163 | 159 | 2 | 110 | 150 | 165 | 4-17.5 | 485 | 260 | 62 | 1425.7 | 0.3-0.4 | 1/4 | 19.5 | |
| 50 | 194 | 190 | 2 | 125 | 165 | 165 | 4-17.5 | 635 | 318 | 63 | 2284.1 | 0.3-0.4 | 1/4 | 34.9 | |
| EG6B41WJF-10 | 65 | 220 | 216 | 2 | 145 | 185 | 165 | 4-17.5 | 650 | 318 | 63 | 3048 | 0.3-0.4 | 1/4 | 39.9 |
| 80 | 258 | 254 | 2 | 160 | 200 | 165 | 8-17.5 | 660 | 318 | 63 | 3244.7 | 0.4-0.5 | 1/4 | 51.9 | |
| 100, | 309 | 305 | 2 | 180 | 220 | 280 | 8-17.5 | 816 | 425 | 64 | 6964.5 | 0.4-0.5 | 3/8 | 93.2 | |
| 125 | 362 | 356 | 3 | 210 | 250 | 280 | 8-17.5 | 825 | 425 | 64 | 7439.7 | 0.4-0.5 | 3/8 | 105.3 | |
| 150 | 412 | 406 | 3 | 240 | 285 | 310 | 8-22 | 1013 | 549 | 65 | 14912 | 0.5 | 3/8 | 184.5 | |
| EG6B41WJF-6 | 200 | 529 | 521 | 4 | 295 | 340 | 483 | 8-22 | 1300 | 749 | 66 | 49161 | 0.5 | 1/2 | 407.4 |
注:
1、氣動隔膜閥尚可附裝反饋信號、限位器或定位器,以適應自近控、程控或調節流量的需要
2、氣動閥門的反饋信號采用無觸點傳感技術
3、采用氣缸活塞式
4、當氣源發生故障時,可操作手輪使閥門開啟